香蕉视频APP黄色片,香蕉网视频,国产香蕉视频,香蕉视频成人在线观看



language 中文简体 中文繁体 English 目录在线 目录下载 收藏香蕉视频APP黄色片在线留言站点地图

香蕉视频APP黄色片电机散热风扇厂家专注如AC香蕉视频成人在线观看,DC直流散热风机生产
深圳工厂:0755-28035670业务专线:13603004952

台湾香蕉视频APP黄色片 - 32年散热风扇研发制造工厂

Taiwan SANJU Electric

深圳市香蕉视频APP黄色片电机有限公司

聚焦香蕉视频APP黄色片,了解更多风扇知识

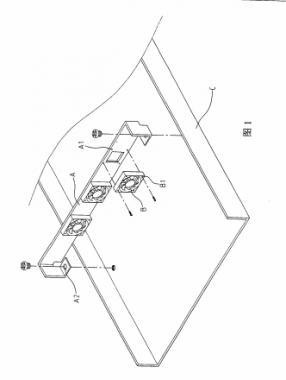
​一种电脑主机壳内部的散热风扇组装结构

行业新闻​一种电脑主机壳内部的散热风扇组装结构

本文涉及一种电脑主机壳内部的散热风扇组装结构,特别是利用此种组装结构…

Mar 23, 2020
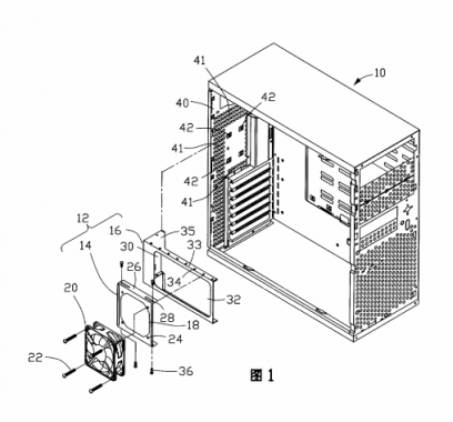
​一种电脑散热风扇组合机构

行业新闻​一种电脑散热风扇组合机构

本文介绍一款可加速机箱内散热,次要目的是可对通过的空气进行过滤和杀菌的电脑散热风扇组合机构。…

Mar 23, 2020
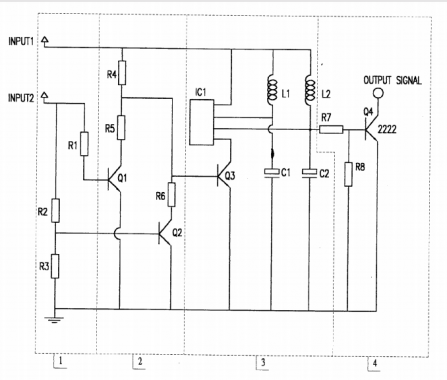
​电脑控制的变速直流无刷散热风扇的驱动电路

行业新闻​电脑控制的变速直流无刷散热风扇的驱动电路

本文涉及电脑散热风扇技术领域,特指一种可电脑控制的三段变速的直流无刷散热风扇的驱动电路。…

Mar 23, 2020
​电脑机壳可掀式散热风扇及提把结构

行业新闻​电脑机壳可掀式散热风扇及提把结构

本文涉及电器类,特别涉及一种电脑机壳可掀式散热风扇及提把结构,尤指一种可隐蔽于电脑机壳上方,且于使用时开启一定角度以供散热的可掀式散热风扇结构。…

Mar 23, 2020
​电脑散热风扇定位装置

行业新闻​电脑散热风扇定位装置

本文涉及一种电脑散热风扇定位装置,特别是涉及一种可根据电脑基板上中央处理器的位置调整散热风扇并使电脑系统获得最好的散热及通风效果的定位装置。…

Mar 23, 2020
​一种电脑附属散热风扇

行业新闻​一种电脑附属散热风扇

本文涉及一种便携式风扇,尤其涉及一种电脑附属风扇。 …

Mar 23, 2020
一种电脑机箱内散热风扇的控制装置

行业新闻一种电脑机箱内散热风扇的控制装置

​本文专门为大家介绍一种电脑机箱内散热风扇的控制装置。…

Mar 23, 2020
​一种电脑散热风扇

行业新闻​一种电脑散热风扇

本文涉及一种电脑散热风扇。…

Mar 23, 2020
  • 首页
  • 上一页
  • 7
  • 8
  • 9
  • 10
  • 11
  • 12
  • 13
  • 14
  • 15
  • 16
  • 17
  • 下一页
  • 末页
  • 28223条记录
  • 
    关闭

    微信公众号

    咨询热线
    +86-755-2803-5670
    在线客服
    top
    网站地图