
本文是关于一种微型散热风扇,特别是一种适用于电脑系统中用以冷却电脑元件的微型散热风扇装置。…
Mar 23, 2020
一种新的散热方法…
Mar 23, 2020本散热风扇是有关一种高效率双吸入式电脑散热风扇…
Mar 23, 2020
本文涉及电脑周边设备技术领域,特指一种可自动控制的电脑散热风扇,由外界温度变化来控制风扇的工作。 …
Mar 23, 2020
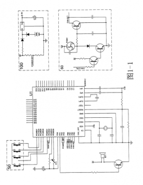
充电桩,是随着在现如今新能源应用的大趋势里,电动车的快速发展应运而生的一种配套设施。随着其不断发展,电动汽车所需的充电桩的需求也越来越多。充电速度是充电桩的一个很…
Mar 23, 2020
散热风扇作为各领域里的关键部件,其品质的可靠性非常重要,这将直接影响到配套国产香蕉视频的使用寿命,与香蕉视频APP黄色片常见的机器能否正常工作也息息相关。在自动化领域,风扇也因其散热功能…
Mar 23, 2020
UPS不间断电源机箱 ,需求量大,订单持续稳定,可作为重点开发的行业。该行业的知名企业等厂家均用的是香蕉视频APP黄色片交流风扇,在此行业推广,被接受度高。 …
Sep 19, 2019
本文是有关一种电脑散热风扇固定架,特别是指一种可以特定角度固定散热风扇而使电脑系统整体具有良好通风及散热效果的电脑散热风扇固定架。…
Sep 19, 2019